The ZJ-FZ flange type static torque sensor is widely used in static torque testing systems such as testing machines, torque wrenches, steering gears, electric actuators, valves, hydraulic systems, etc. It is favored by users due to its excellent stability, high measurement accuracy, and extremely high cost-effectiveness.
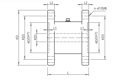
ZJ-FZ flange type static torque sensor external dimensions diagram

Model | Range | L | D | D1 | D2 | D3 | n-d1 |
ZJ-5FZ | 5 | 60 | 80 | 10 | 46 | 65 | 6-M8 |
ZJ-10FZ | 10 | 60 | 80 | 10 | 46 | 65 | 6-M8 |
ZJ-20FZ | 20 | 60 | 80 | 10 | 46 | 65 | 6-M8 |
ZJ-50FZ | 50 | 60 | 80 | 10 | 46 | 65 | 6-M8 |
ZJ-100FZ | 100 | 60 | 80 | 10 | 46 | 65 | 6-M8 |
ZJ-(200/300/400/500)FZ | 200/300/400/500 | 70 | 100 | 16 | 62 | 82 | 6-M10 |
ZJ-(1000/2000)FZ | 1000/2000 | 75 | 116 | 20 | 72 | 94 | 6-M12 |
ZJ-5000FZ | 5000 | 85 | 165 | 25 | 115 | 142 | 8-M12 |
ZJ-10000FZ | 10000 | 95 | 205 | 40 | 135 | 173 | 8-M18 |
ZJ-(20K/30K)FZ | 20K/30K | 115 | 245 | 50 | 155 | 205 | 8-M20 |
ZJ-(40K/50K/60K)FZ | 40K/50K/60K | 120 | 280 | 50 | 200 | 240 | 10-M20 |
ZJ-100KFZ | 100K | 150 | 318 | 50 | 230 | 274 | 10-M24 |


