The ZJ-AP disc torque sensor adopts flange connection for both input and output ends (one end must be rigidly connected). Due to the fact that this model of sensor does not use bearings, it can effectively avoid measurement errors caused by bearing heating. Suitable for high-speed rotation or situations requiring shorter axial dimensions.
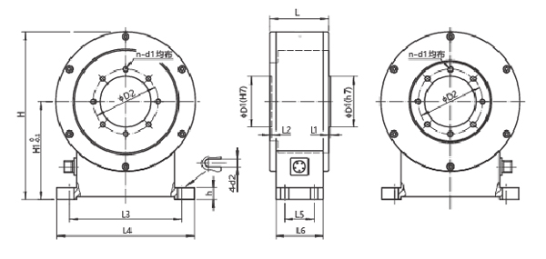
ZJ-AP type disc torque sensor external dimensions diagram

Model | Range | L | H | H1 | D1 | D2 | n-d1x depth | L1 | L2 | L3 | L4 | L5 | L6 | d2 | h |
ZJ-5/10/20/50AP | 5/10/20/50 | 60 | 171 | 100 | 52 | 66 | 6-M6X10 | 2 | 2 | 115 | 140 | 30 | 48 | 7 | 12 |
ZJ-100/200AP | 100/200 | 60 | 171 | 100 | 52 | 66 | 6-M6X10 | 2 | 2 | 115 | 140 | 30 | 48 | 7 | 12 |
ZJ-500AP | 500 | 70 | 200 | 120 | 62 | 76 | 6-M8X12 | 3 | 3 | 135 | 160 | 40 | 58 | 9 | 15 |
ZJ-1000AP | 1000 | 70 | 220 | 130 | 72 | 96 | 8-M10X12 | 3 | 3 | 155 | 180 | 36 | 58 | 11 | 15 |
ZJ-2000AP | 2000 | 70 | 220 | 130 | 72 | 96 | 8-M10X16 | 3 | 3 | 155 | 180 | 36 | 58 | 11 | 15 |


