The ZJ-AF flange type torque and speed sensor adopts a flange connection method for both input and output ends (one end must be rigidly connected). Due to the fact that this model of sensor does not use bearings, it can effectively avoid measurement errors caused by bearing heating. Suitable for high-speed rotation or situations requiring shorter axial dimensions.
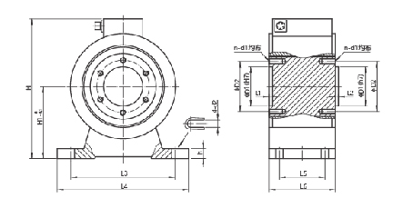
ZJ-AF type flange torque and speed sensor external dimensions diagram

Model | Range | H | H1 | D1 | D2 | N-d1x depth | L1 | L2 | L3 | L4 | L5 | L6 | d2 | h |
ZJ-5/10/20/50AF | 5/10/20/50 | 185 | 100 | 52 | 66 | 6-M6X10 | 2 | 2 | 115 | 135 | 45 | 80 | 7 | 12 |
ZJ-100AF | 100 | 185 | 100 | 52 | 66 | 6-M6X10 | 2 | 2 | 115 | 135 | 45 | 80 | 7 | 12 |
ZJ-200AF | 200 | 195 | 105 | 52 | 66 | 6-M8X12 | 3 | 3 | 125 | 150 | 60 | 90 | 7 | 12 |
ZJ-500AF | 500 | 205 | 105 | 55 | 70 | 8-M8X12 | 3 | 3 | 130 | 160 | 60 | 90 | 9 | 15 |
ZJ-1000AF | 1000 | 213 | 105 | 60 | 80 | 8-M10X16 | 5 | 5 | 160 | 200 | 70 | 100 | 11 | 15 |
ZJ-2000AF | 2000 | 213 | 105 | 60 | 80 | 8-M10X16 | 5 | 5 | 160 | 200 | 70 | 100 | 11 | 15 |
ZJ-5000AF | 5000 | 286 | 150 | 80 | 136 | 8-M16X25 | 5 | 5 | 210 | 250 | 80 | 120 | 17 | 20 |
Advantage:
The detection method is strain electrical measurement technology;
High measurement accuracy, signal detection and processing all use digital technology;
Strong anti-interference ability, can work without zero adjustment;
High reliability, high signal-to-noise ratio, and long working life;
It can measure both static torque and rotational torque;
Capable of measuring steady-state torque and dynamic torque during transition processes;
Continuous measurement of forward and reverse torque without the need for repeated zeroing;
No wear parts such as collector rings and electric brushes, capable of high-speed and ultra long operation;
The transmission of torque signals is independent of whether they are rotating, the magnitude of the speed, and the direction of rotation;
The measured elastic strength is high and can withstand 150% overload;
Small in size, light in weight, easy to install, with multiple installation methods including kit, card, and coupling;
The output signal is given in frequency form for easy interface with computers.


