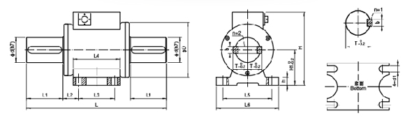
ZJ-A Type Torque speed sensor external dimensions diagram

Model | Range N•m | Max speed (r/min) | Overall dimensions | Axis connection size | Machine base support size | 重量(kg | ||||||||||||
H | L | D | d | Key b(p7) X Quantity n | T | L1 | L2 | L3 | L4 | L5 | L6 | H1 | d1 | h | ||||
ZJ-5A | 5 | 6000 | 114 | 188 | 78 | 18 | 6X1 | 20.5 | 31 | 35 | 72 | 90 | 75 | 100 | 55 | 8 | 12 | 3.8 |
ZJ-10A | 10 | 6000 | 114 | 188 | 78 | 18 | 6X1 | 20.5 | 31 | 35 | 72 | 90 | 75 | 100 | 55 | 8 | 12 | 3.8 |
ZJ-20A | 20 | 6000 | 114 | 188 | 78 | 18 | 6X1 | 20.5 | 31 | 35 | 72 | 90 | 75 | 100 | 55 | 8 | 12 | 3.8 |
ZJ-30A | 30 | 6000 | 114 | 188 | 78 | 18 | 6X1 | 20.5 | 31 | 35 | 72 | 90 | 75 | 100 | 55 | 8 | 12 | 3.8 |
ZJ-50A | 50 | 6000 | 114 | 188 | 78 | 18 | 6X1 | 20.5 | 31 | 35 | 72 | 90 | 75 | 100 | 55 | 8 | 12 | 3.8 |
ZJ-100A | 100 | 6000 | 114 | 188 | 78 | 18 | 6X1 | 20.5 | 31 | 35 | 72 | 90 | 75 | 100 | 55 | 8 | 12 | 3.8 |
ZJ-200A | 200 | 5000 | 125 | 209 | 92 | 28 | 8X1 | 31 | 41 | 36.5 | 72 | 90 | 75 | 100 | 60 | 8 | 12 | 5.1 |
ZJ-500A | 500 | 4000 | 135 | 238 | 96 | 38 | 10X2 | 22 | 55 | 37 | 72 | 90 | 75 | 100 | 65 | 8 | 12 | 6.5 |
ZJ-1000A | 1000 | 3000 | 143 | 270 | 106 | 48 | 14X2 | 27.5 | 70 | 40.5 | 69 | 90 | 78 | 120 | 68 | 12 | 15 | 9 |
ZJ-2000A | 2000 | 3000 | 143 | 270 | 106 | 48 | 14X2 | 27.5 | 70 | 40.5 | 69 | 90 | 78 | 120 | 68 | 12 | 15 | 9.5 |
ZJ-5000A | 5000 | 2000 | 187 | 347 | 144 | 75 | 20X2 | 42 | 105 | 34 | 69 | 100 | 156 | 180 | 90 | 12 | 15 | 23 |
ZJ-10000A | 10000 | 2000 | 214 | 389 | 158 | 98 | 28X2 | 55 | 118 | 36.5 | 80 | 110 | 170 | 200 | 110 | 14 | 15 | 35 |
ZJ-20KA | 20K | 1800 | 225 | 420 | 168 | 105 | 28X2 | 58.5 | 125 | 41 | 88 | 125 | 180 | 205 | 115 | 14 | 15 | 56 |
ZJ-30KA | 30K | 1500 | 258 | 420 | 206 | 125 | 32X2 | 69.5 | 125 | 41 | 88 | 125 | 200 | 230 | 136 | 14 | 15 | 56 |
ZJ-40KA | 40K | 1500 | 301 | 480 | 240 | 150 | 40X2 | 84 | 150 | 45 | 90 | 125 | 190 | 250 | 153 | 18 | 20 | 95 |
ZJ-50KA | 50K | 1500 | 301 | 480 | 240 | 150 | 40X2 | 84 | 150 | 45 | 90 | 125 | 190 | 250 | 153 | 18 | 20 | 95 |
ZJ-100KA | 100K | 1200 | 331 | 560 | 280 | 180 | 45X2 | 100 | 180 | 55 | 90 | 130 | 230 | 290 | 168 | 18 | 20 | 160 |
ZJ-150KA | 150K | 1000 | 420 | 900 | 350 | 235 | 56X2 | 129.5 | 129.5 | 50 | 180 | 240 | 250 | 290 | 220 | 22 | 25 | 420 |
ZJ-200KA | 200K | 800 | 446 | 900 | 380 | 255 | 56X2 | 139.5 | 139.5 | 48 | 180 | 240 | 250 | 300 | 240 | 22 | 25 | 480 |
ZJ-300KA | 300K | 800 | 480 | 900 | 416 | 295 | 70X2 | 161.5 | 161.5 | 48 | 180 | 240 | 268 | 310 | 250 | 22 | 25 | 580 |
Product Features:
1. The signal output can freely select either a square wave or a pulse wave waveform.
2. High detection accuracy, good stability, and strong anti-interference ability.
3. Continuous measurement of forward and reverse torque without repeated zeroing.
4. It can measure both static torque and dynamic torque.
5. Small size, light weight, and easy installation. The sensor can be used independently of the secondary instrument, as long as a power supply of ± 15VDC (200mA) is provided according to the socket pin number, it can output square wave or pulse wave frequency signals with impedance proportional to torque.
6. Measurement range: 0-500000Nm standard optional, customized for special ranges.


